- Model: FSH MT series
FSH MT series

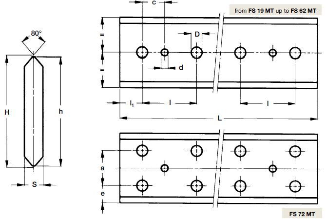
Details
| Designation | Mass | Dimensions | |||||||||
| H | h | S | d | D | c | e | I | I1 | |||
| UBM | ±0.1 | ±0.1 | ±0.1 | ﹢0.05 | |||||||
| Kg/m | mm | ||||||||||
| FSH 22 MT | 1 | 23.9 | 23 | 5.8 | 5 | 6.5 | 15 | 9 | 90 | 30 | |
| FSH 32 MT | 1.5 | 29.9 | 29 | 6.8 | 6 | 6.5 | 15 | 11 | 90 | 30 | |
| FSH 40 MT | 2.4 | 37.2 | 36 | 8.8 | 6 | 9.0 | 20 | 16 | 90 | 30 | |
| FSH 52 MT | 3.7 | 40.75 | 39.2 | 23 | 8 | 13.5 | 20 | 17 | 90 | 30 | |
| FSH 62 MT | 5.7 | 50.75 | 49.2 | 26 | 8 | 13.5 | 20 | 17 | 90 | 30 | |
| FSH 72 MT | 8.2 | 60.85 | 59.2 | 29 | 10 | 17.5 | 30 | 20 | 90 | 30 | |
| FSX 90 MT | 11.6 | 62.85 | 61 | 26.5 | 10 | 13.5 | 30 | 22 | 90 | 30 | |



