- Model: GU MTseries
GU MTseries

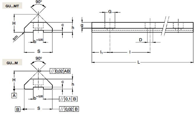
Details
| Designation | Mass | Dimensions | |||||||||||
| H | h | S | D | G | g | b | c | sm | I | I1 | |||
| UBM | ±0.05 | ±0.05 | ±0.05 | ﹢0.1 | ±0.05 | ±0.05 | |||||||
| Kg/m | mm | ||||||||||||
| GU 28 MT | 1.97 | 19 | 11 | 28.8 | 5.5 | 10.0 | 5.7 | 10 | 2.5 | 0.7×45° | 90 | 30 | |
| GU 35 MT | 3.35 | 23.9 | 15.7 | 35.5 | 6.6 | 11.0 | 6.8 | 10 | 3.8 | 1×45° | 90 | 30 | |
| GU 50 MT | 6.89 | 35.5 | 21 | 50.8 | 11 | 18.0 | 11 | 16 | 4.3 | 1×45° | 90 | 30 | |
| max length in single element L=6000mm | |||||||||||||



